Кронштейны кабелей IDEALFLEX
Речь идет о закрытом кронштейне кабелей из оцинкованного листового металла, который состоит из несущего профиля и стальной направляющей ленты, соединенной с одной из четырех сторон этого профиля.

Применение
Это позволяет изгиб только в одном направлении, а именно в сторону стальной ленты. В других направлениях изгиб профиля исключен. Испытания нагрузкой доказывают, что даже после 10 миллионов циклов не произойдет повреждение кабелей или износ гибкого кронштейна. IDEALFLEX удовлетворяет технические правила безопасности и отвечает нормам ДИН 57113/ВДЕ 0113. Кронштейн кабелей также стойкий ко всем охлаждающим жидкостям и смазкам, обычно применяемым для станков.
Укрепление
На обоих концах профиля точечно прикреплены или приклепаны фланцы, которые можно закрепить несколькими способами (смотри таблицу).
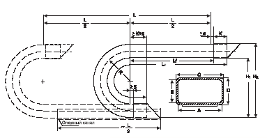
Кабели и шланги, которые свободно уложены в профиле, надо прикрепить к обоим концам кронштейна. Чтобы обеспечить как можно долговременный срок службы кронштейна IDEALFLEX, надо в случае больших длин подпереть его или вести его в канале. Длина канала должна равняться по крайней мере половине длины подъема. Самое удобное укрепление конца кронштейна кабелей в половине длины подъема. Таким образом достигается самой короткой длины кронштейна, и тем также самой низкой цены.
Выбирая тип кронштейна IDEALFLEX, надо предусмотреть запас 10% на кабель. В случае кабельных линий, где надо вести кабели отдельно, можно выбрать двойной кронштейн, который прикреплен к одной направляющей ленте. Кронштейны находятся на расстоянии 5 мм друг от друга.
Радиусы гибки приведены в таблице размеров. В случае сомнений можно выбрать ближайший более высокий радиус гибки. В случае, что нельзя приспособить этот радиус рекомендованным величинам, можно определить приблизительную величину радиуса гибки как 8-10 кратное число наружного диаметра кабелей.
Кронштейны кабелей IDEALFLEX поставляются в трех разных качествах, распределенных по требуемой скорости движения:
Можно поставить кронштейны кабелей простые или двойные (так наз. тандем).Заказ
Пояснения к кодовому обозначению IDEALFLEX для последующего заказа:
85 J 165 RM X1-2000 H
85 | тип IDEALFLEX |
J | тип кронштейна: J — простой, D — двойной (тандем) |
165 | радиус гибки R |
RM | скорость движения (до 20 м/мин) |
X | верхний фланец (фронтальный) |
1 | нижний фланец (стандартный) |
2000 | длина Lc |
H | рабочее положение (H — горизонтальное |
AxB | внутренние размеры несущего профиля |
CxD | наружные размеры несущего профиля |
k | глубина залегания несущего профиля во фланце |
R | радиус гибки |
H1 | минимальная высота опоры |
H2 | высота |
Lf | самонесущая длина |
L | длина подъема (рабочая длина) |
Lc | общая длина IDEALFLEX |
Расчет длины IDEALFLEX: Lc = L/2 + πR + 2k + 10 [мм]
Технические данные для кронштейнов


Типы кронштейнов
Тип | C | D | A | B | k | R | H1 в том числе |
H2 предва- рительная нагрузка |
Lfmax | L без опоры | L с опорой | Масса крон- штейна (кг/м) |
Масса фланца (кг/шт.) |
30 | 30 | 20 | 26 | 16 | 25 | 55 | 120 | 144 | 1000 | 2000 | 4000 | 0,6 | 0,05 |
50 | 50 | 30 | 43 | 23 | 30 | 72 110 165 |
160 235 345 |
194 269 379 |
1500 | 3000 | 6000 | 1,25 | 0,1 |
50.1 | 50 | 50 | 45 | 45 | 50 | 110 | 240 | 294 | 2000 | 4000 | 8000 | 1,7 | 0,15 |
80 | 80 | 45 | 73 | 38 | 45 | 110 220 275 |
240 460 570 |
290 510 620 |
2000 | 4000 | 8000 | 2,25 | 0,25 |
85 | 85 | 60 | 80 | 55 | 65 | 165 | 350 | 415 | 2500 | 5000 | 10000 | 2,4 | 0,3 |
95 | 95 | 50 | 90 | 45 | 60 | 130 | 280 | 335 | 2000 | 4000 | 8000 | 2,9 | 0,3 |
110 | 110 | 60 | 102 | 52 | 60 | 155 250 330 |
335 525 685 |
400 590 750 |
2500 | 5000 | 10000 | 3,6 | 0,5 |
115 | 115 | 80 | 109 | 74 | 80 | 220 | 465 | 550 | 2500 | 5000 | 10000 | 3,8 | 0,6 |
170 | 170 | 80 | 162 | 72 | 80 | 205 | 435 | 520 | 2500 | 5000 | 10000 | 5,6 | 0,85 |
175 | 175 | 110 | 167 | 102 | 80 | 285 | 600 | 717 | 2500 | 5000 | 10000 | 5,8 | 1,95 |
Рабочее положение кронштейна

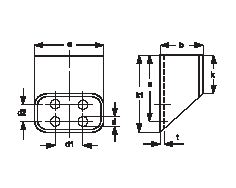
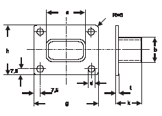
Технические данные для фланцев
Стандартные фланцы
Тип | a | b | d1 | d | e | k1 | k | t | d2 |
30 | 34 | 24 | 13 | 6 | 40 | 50 | 25 | 1,5 | — |
50 | 54 | 34 | 22 | 7 | 45 | 60 | 30 | 1,5 | — |
50.1 | 54 | 54 | 20 | 7 | 75 | 100 | 50 | 1,5 | — |
80 | 85 | 50 | 50 | 7 | 67,5 | 90 | 45 | 2 | — |
85 | 90 | 65 | 50 | 7 | 118 | 130 | 65 | 2 | 40 |
95 | 100 | 55 | 50 | 7 | 110 | 120 | 60 | 2 | 40 |
110 | 115 | 65 | 70 | 9 | 90 | 120 | 60 | 2 | — |
115 | 120 | 85 | 80 | 9 | 143 | 165 | 80 | 2 | 40 |
170 | 175 | 85 | 100 | 9 | 120 | 180 | 80 | 2 | — |
175 | 182 | 117 | 140 | 9 | 158 | 195 | 80 | 3 | 40 |

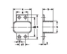
Фланец типа X
Тип | a | b | d1 | d | g | h | d2 | k | t |
50 | 54 | 34 | 18 | 7 | 35 | 70 | 55 | 30 | 1,5 |
80 | 85 | 50 | 45 | 7 | 65 | 85 | 70 | 45 | 2 |
110 | 115 | 65 | 60 | 9 | 80 | 110 | 90 | 60 | 2 |
170 | 175 | 85 | 95 | 9 | 120 | 130 | 110 | 80 | 2 |

Фланец типа Y
Тип | a | b | d1 | d | g | h | k | t |
50 | 54 | 34 | 75 | 7 | 90 | 15 | 30 | 1,5 |
80 | 85 | 50 | 105 | 7 | 120 | 30 | 45 | 2 |
110 | ||||||||
115 | 65 | 140 | 9 | 160 | 35 | 60 | 2 | |
170 | 175 | 85 | 200 | 9 | 220 | 40 | 80 | 2 |

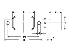
Фланец типа Z
Тип | a | b | d | g | h | k | t |
30 | 34 | 24 | 6 | 60 | 50 | 25 | 1,5 |
50.1 | 54 | 54 | 7 | 85 | 85 | 50 | 1,5 |
85 | 90 | 65 | 7 | 120 | 95 | 65 | 2 |
95 | 100 | 55 | 7 | 130 | 85 | 60 | 2 |
115 | 120 | 85 | 9 | 150 | 115 | 80 | 2 |
175 | 182 | 117 | 9 | 210 | 145 | 80 | 3 |

Способы укрепления стандартных фланцев
